Order now

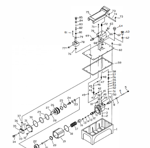
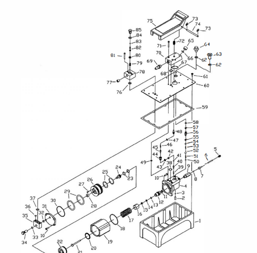
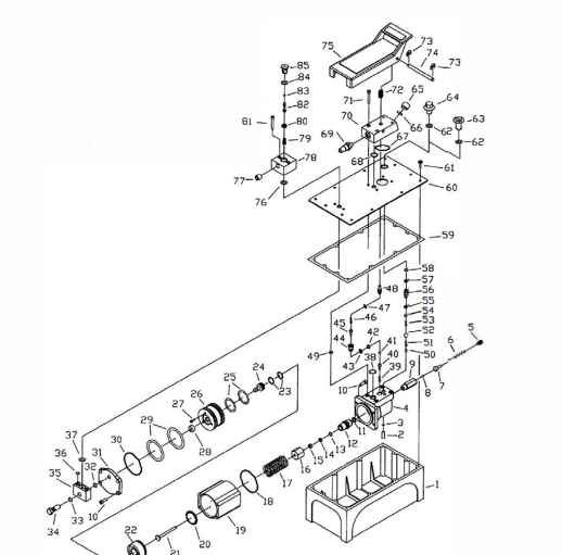
PÉDALE POUR POMPE 10876

SKU: ESC-10876-75
Regular price $43.75 CAD

Products details

  • Vendor ESCO
  • SKU ESC-10876-75

Pédale de rechange pour pompe 10876.