Order now

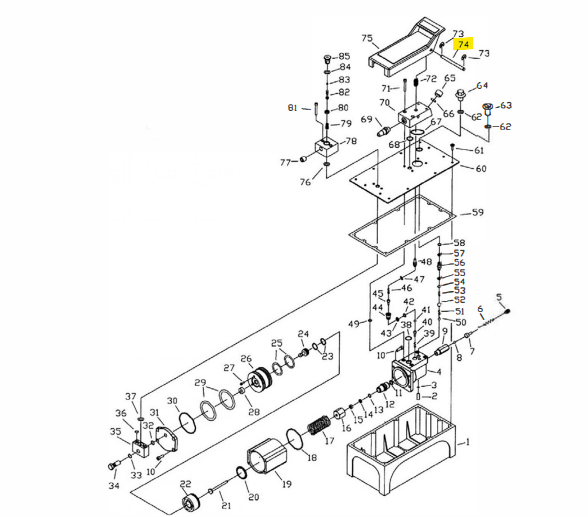
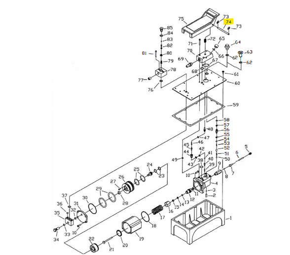
ARBRE DE REMPLACEMENT POUR POMPE HYDRAULIQUE ESCO

SKU: ESC-10875-74
Regular price $7.65 CAD

Products details

  • Vendor ESCO
  • SKU ESC-10875-74

Arbre de la pédale de la pompe hydraulique ESCO.